產品
星空電競焊接/搬運專家
始于焊接,不止于焊接
始于焊接,不止于焊接
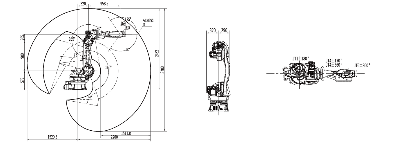
臂展2.2米,負載能力強,工作范圍大,靈活性強。
運行速度快,重復定位精度高,適用于上下料、搬運、分揀、裝配等應用場所,適用范圍廣。
配置獨立于控制系統(tǒng)的安全急停板,采用安全繼電器,對外提供雙回路急停,確保急停的可性。
本體電纜采用柔性機器人專用電纜。
內裝三相濾波器,有效改善EMC和EMI性能。
本體提供中10mm雙回路氣管,滿足搬運的需求。
通過單懸臂結構,減輕終端重量,提升其靈活性,機械手、工具、工件形狀的選擇性范圍得到擴展。
內置電纜、氣管,通過小臂和手腕中心處設置中空部分,從機器人基部到腕部末端內置電纜和氣管,更大地方便了用戶使用,提高了作業(yè)效率。
高擴展性,在機器人本體上設置有多處用戶支架安裝平臺,便于用戶固定線纜及其相關輔助工裝冶具。


